热电偶

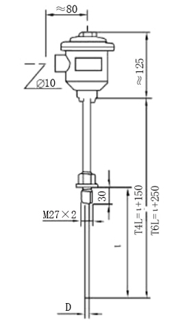
固定螺纹式铠装热电偶

 

工作原理/working principle-----------------------------------------------------------◆◆

隔爆热电偶与装配式热电偶的结构、原理基本相同,所区别的是,隔爆型产品接线盒(外壳)在设计上采用防爆特殊结构,接线盒用高强度铝合金压铸而成,并具有足够的内部空间、壁厚和机械强度,橡胶密封圈的热稳定性均符合国家防爆标准。所以,当接线盒内部的爆炸性混合气体发生爆炸时,其内压不会破坏接线盒,而由此产生的热能不能向外扩散、传爆。

产品特点/Product features-----------------------------------------------------------◆◆

1.按符合国际IEC标准的******防爆规程GB3836设计;
2.采用两腔式隔爆结构,更换测温元件简便,使用安全可靠;
3.隔爆标志dⅡCT6,适用于ⅡC级以下,引燃温度T6以上,含爆炸性气体场合的温度测量。
  注意事项:维修维护时请断电操作

产品结构/Product structure----------------------------------------------------------◆◆

从热电偶的测温原理可知,构成较基本的热电偶除了两根热电极材料外,还必须在热电极的两端按照要求制作成测量端和参比端,俗称“热端”和 “冷端”,这就是所谓的“两端”。 根据热电偶的不同用途,热端有绝缘型、多支分绝缘型、接壳型、露头型四种形式,冷端有密封和非密封两种形式。
 
热电偶一般由五部分构成,两根热电极(或叫偶丝)是构成热电偶的核心部分(******部分测温元件), 其它部分都是围绕它展开,为了保证回路中热电势不损失以准确传递被测温度信号,必须用绝缘材料使两热电极除两端点之外的其余部分之间,及其与外界之间有可靠的绝缘(第二部分绝缘材料);为了保护绝缘材料和偶丝,延长热电偶的使用寿命,一般还设计有保护套管(第三部分保护管);为了安装接线使用方便,同时适应各种使用场合,一般还设计有第四部分接线装置和第五部分安装固定装置。这些就是所谓的“五部”。
 
根据不同用途,能够测温的较基本的热电偶(即热电偶芯),没有保护管和安装固定装置 。 装配式热电偶主要由接线盒、保护管、绝缘套管、接线端子、热电极组成基本结构,并配以各种安装固定装置组成。
 

固定螺纹式铠装热电偶产品结构

技术指标/Technical indicators--------------------------------------------------------◆◆

型号 分度号 测量范围 精度等级 允许偏差△t℃
WRN、WRNK K 0~800 ±2.5℃或±0.75%t
WRN2、WRNK2
WRE、WREK E 0~600 ±2.5℃或±0.75%t
WRE2、WREK2
WRC、WRCK T -40~350 ±2.5℃或±0.75%t
WRC2、WRCK2
WRF、WRFK J 0~600 ±2.5℃或±0.75%t
WRF2、WRFK2
WRM、WRMK N 0~800 ±2.5℃或±0.75%t
WRM2、WRMK2
注:“t”感温元件的实测温度。Ⅰ、Ⅲ级精度为特殊订货。
 
★热晌应时间
在温度出现阶跃变化时,热电偶的输出变化至相当于该阶跃变化的50%所需要的时间,称为热响应时间,用T0.5表示。
 
★公称压力
一般是指常温下,保护管所能承受的静态外压而不破裂,试验压力表一般采用公称压力的1. 5倍,实际上,允许工作压力不仅与保护管材料、直径、壁厚有关,而且还与其结构形式、安装方法、置入深度以及被测介质的流速和种类等有关。
 
★热电偶绝缘电阻
常温绝缘电阻的试验电压为直流500V土50V,测量常温绝缘电阻的大气条件为温度 15~35℃,相对湿度45%,大气压力86~106kPa。
对于长度超过1米的热电偶,它的常温绝缘电阻值与其长度的乘积应不小于100MΩ。 即: R r- L > 100M Ω L>l m
式中:R r-热电偶的常温绝缘电阻值,M Ω;
  L-热电偶的长度,m。
对于长度等于或不足l米的热电偶,它的常温绝缘电阻值应不小于100MΩ。
 
★铠装热电偶(绝缘式)的绝缘电阻
在环境温度为20±15℃,相对温度不大于80% 时,热电极与外套管之间的绝缘电阻应大于等于 1000MΩ-M*,试验电压为直流500V。(*绝缘电阻 MΩ -M表示,即为常温绝缘电阻与铠装热电偶长度的乘积)。
 
★防爆类型和级组
防爆级组 :d II BT4 或 d II CT4
    d II BT6 或 d II CT6
外壳防护等级 :IP65
 
★隔爆型热电偶的防爆标志表示方法
固定螺纹式铠装热电偶防爆标志
 
★电气设备的类别、级别和温度组别说明
电气设备分为两大类:Ⅰ类-煤矿井下用电气设备
   
  Ⅱ类-工厂用电气设备
 
★防爆等级
隔爆型热电偶的防爆等级按适用于爆炸性气体混合物******安全间隙或较小点燃电流比分为A、B、C三级。
 
★温度组别
隔爆型热电偶的温度组别按其外露部分较高表面温度分为T1~T6六组。
温度组别 允许较高表面温度℃
T1 450
T2 300
T3 200
T4 135
T5 100
T6 85
 
★热电偶较小置入深度
应不小于其保护管外径的8-10倍(特殊产品除外)。

测温元件选型说明/Selection of temperature measuring element---------------------◆◆

类别 标记 分度号 材质 测温范围℃ 性能特点
优点 缺点
热电偶 K N K 镍铬-镍硅 -40~1200 热电势线性好,稳定性好,抗氧化性好,是使用较广泛的测温元件 不适用于还原气氛,受时效变化和短程有序结构变化影响
N M N 镍铬硅-镍硅 -40~1250 具备K型热电偶全部优点,短程有序结构变化影响小 不适用还原性气氛,受时效变化影响
E E E 镍铬-康铜 -40~900 在现有热电偶中,热电势率较高,灵敏度高,两级非磁性 不适用于还原性气氛,热导率低,具有微滞后现象
J F J 铁-康铜 -40~750 可用于还原性气氛,热电势较K高 铁易生锈,热电特性漂移大
T C T 铜-康铜 -40~350 可用于还原性气氛,热电势线性好,低温特性好。稳定性好 使用温度低,正极铜易氧化,热传导误差大
S P S 铂铑10-铂 0~1600 适用于氧化性气氛,在真空中可短时使用。精度高、稳定性好不受时效变化影响,抗氧化、耐化学腐蚀,可作标准热电偶 不适用于还原性气氛(尤其是H2、金属蒸气)和真空环境,价格高,灵敏度低,热电动势的线性不好
B R B 铂铑30-铂铑6 600~1700 适用于1000℃以上,热电势较小,可不用补偿导线,抗氧化耐化学腐蚀 不能用于600℃以下,灵敏度低,热电势的线性不好

产品选型/product selection-----------------------------------------------------------◆◆

固定螺纹式铠装热电偶选型固定螺纹式铠装热电偶选型

型号规格/type specification-----------------------------------------------------------◆◆

型 号 分度号 测量范围 (℃) 保护管 直径D(mm)固定螺纹式铠装热电偶型号规格
WRNK -240
WRNK2
K 0~800

Φ8

 

Φ6

 

Φ5

WRNK -240
WRNK2
E 0~600
WRNK -240
WRNK2
T -40~+350
WRNK -240
WRNK2
J 0~800
WRNK -240
WRNK2
N 0~1200
*特殊规格订货须经双方协商决定
 
★隔爆型铠装热电偶规格表
固定螺纹式铠装热电偶规格表

适用介质/Applicable medium----------------------------------------------------------◆◆

★可燃性气体、蒸汽的防爆级别和温度组别:
防爆等级ⅡA 防爆等级ⅡB
介质名称 温度组别 介质名称 温度组别
1 甲烷,乙烷,丙烷,动力苯 T1 丙炔 T1
2 苯,甲苯,二甲苯,三甲苯 环丙烯
3 苯酚,甲酚,双苪酮醇 氰化氢
4 丙酮,二丁酮,二戊酮,二已酮
5 醋酸,醋酸甲脂,氯乙烷,溴乙烷 丙烯酯
6 氯乙烯,二氯乙烯,三氯甲苯 焦炉煤气
7 二氯甲烷,二氯丙烷,氯苯,氨 水煤气
8 一氧化碳,苄基氯,二氯苯 乙烯 T2
9 甲苯胺,三乙胺,吡啶 丁二烯
10 乙晴,亚晴酸乙酯 一环氧丙烷
11 苯乙烯,甲基苯乙烯,萘 一二恶烷
12 丁烷,环戊烷,甲基环戊烷 T2 一三恶烷
13 异丙苯,甲基,甲醇至丁醇 丙烯酸甲脂
14 甲基丙烯酸甲脂,乙酰基醋酸乙酯 丙烯酸乙脂
15 正丙胺,正丁胺,苯胺,NN二甲基苯胺 呋喃
16 甲酸甲脂,甲酸乙酯 二甲醚 T3
17 二氯乙烷,烯丙基氯,氯乙醇,噻吩 四氢糠醇
18 甲胺,二甲胺,二乙胺 硫化氢
19 乙酰丙酮,环乙醇,硝基甲烷,硝基乙烷 丙烯醛
20 丙烯,乙苯,醋酸甲脂至醋酸戊脂 T3 丁烯醛
21 甲基环已烷,松节油,石脑油 四氢呋喃
22 戊烷至癸烷,环已烷,萘烷,环已胺 乙基甲基醚 T4
23 乙基环已烷,乙基环丁烷,乙基环戊烷 二乙醚
24 石油,汽油,柴油,煤油,煤焦油 二丁醚
25 戊醇,已醇,环已醇,甲基环已醇 环氧乙烷
26 氯丙烷,氯丁烷,溴丁烷 四氟乙烯
27 乙酰氯,乙硫醇,四氢噻吩 二硫化碳 T5
28 乙醛,三甲胺 T4 硝酸乙脂 T6

信号类型/Signal type------------------------------------------------------------------◆◆

根据传输距离、二次仪表需求,可以确定产品的信号输出类型
固定螺纹式铠装热电偶信号类型

安装方式/Installation requirements--------------------------------------------------◆◆

固定螺纹式铠装热电偶安装

 

 

上一篇:固定法兰式热电偶

下一篇:固定螺纹式热电偶